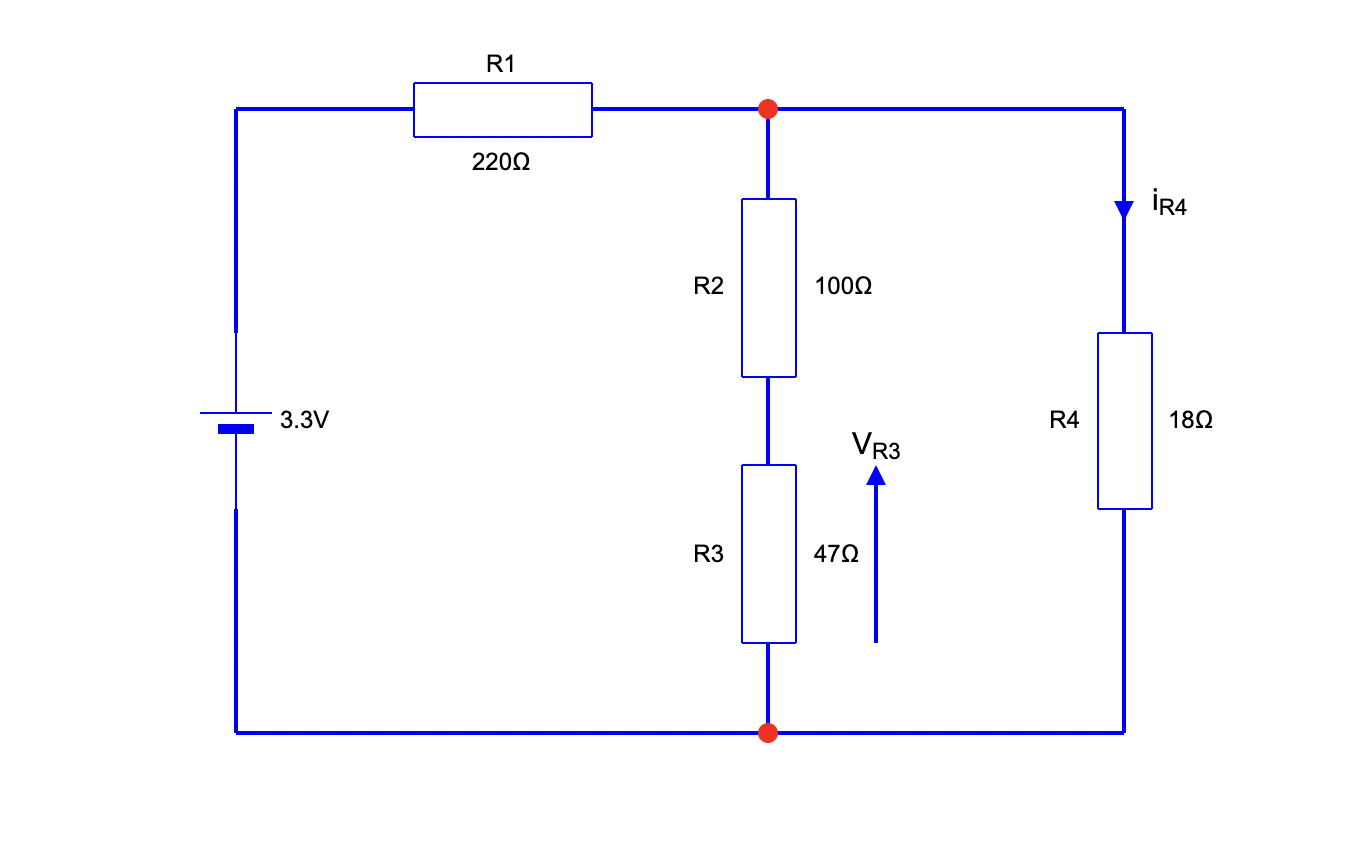
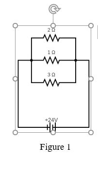
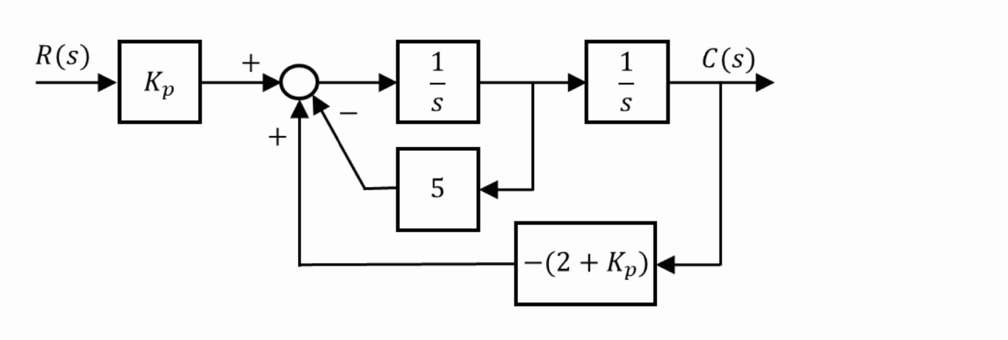
Electrical Engineering Questions and Answers June 25, 2018

Expert-verified solutions to help you succeed

Showing 400 - 500 of 1500
  • 5 / 15