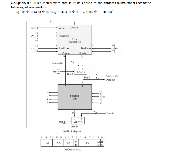
Question: 02. Specify the 16-bit control word that must be applied to the datapath to implement each of the following microoperations: a) RS 0, b) R3shift

02. Specify the 16-bit control word that must be applied to the datapath to implement each of the following microoperations: a) RS 0, b) R3shift right R3, c) R1R3-5, d) R3 (R1 OR R3) RWO Write D data D address Register file A address 8 BA B data Constant in- MUX B Bus A Address out Data out FS Data in MUX D Bus D (a) Block diagram 15 14 13 12 11 109876543 21 DA FS (b) Control word 02. Specify the 16-bit control word that must be applied to the datapath to implement each of the following microoperations: a) RS 0, b) R3shift right R3, c) R1R3-5, d) R3 (R1 OR R3) RWO Write D data D address Register file A address 8 BA B data Constant in- MUX B Bus A Address out Data out FS Data in MUX D Bus D (a) Block diagram 15 14 13 12 11 109876543 21 DA FS (b) Control word
Step by Step Solution
There are 3 Steps involved in it
Get step-by-step solutions from verified subject matter experts
