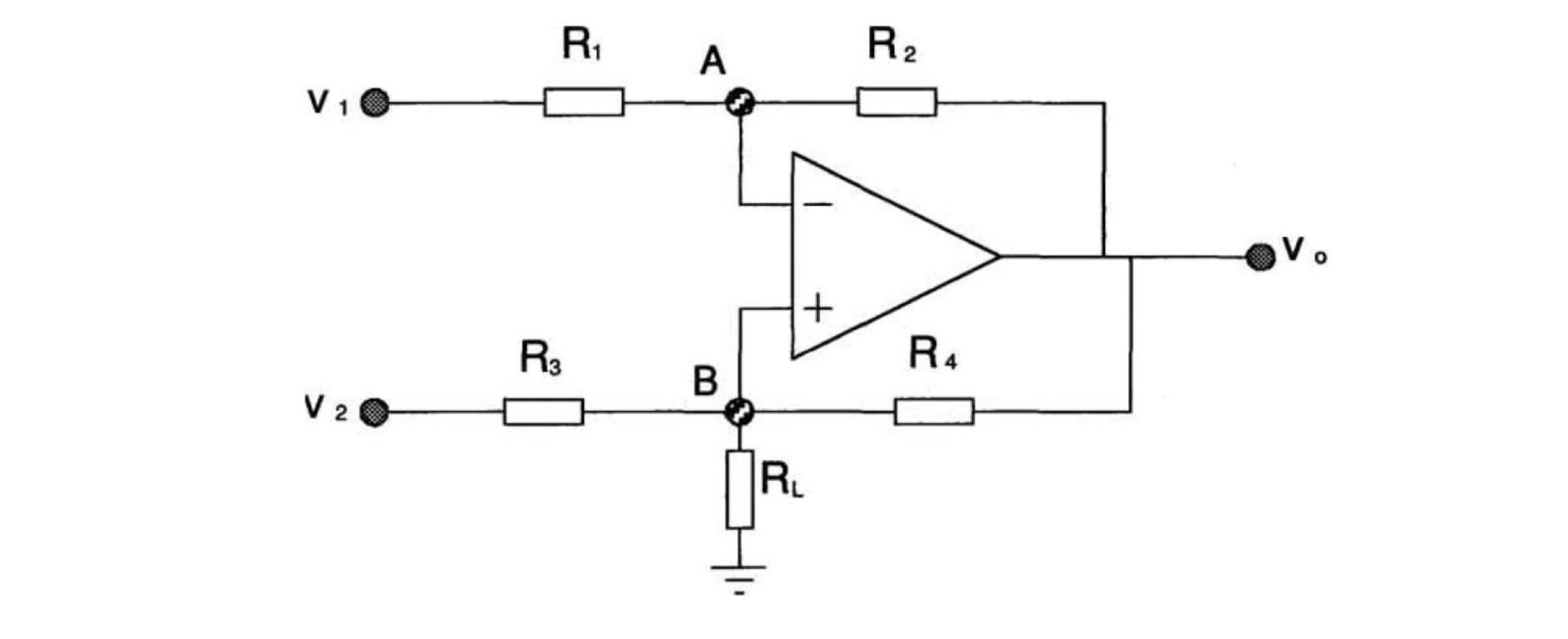
Question: 1 . Give the expression for i _ L , the current flowing through R _ u , in terms of V _ 1 ,
Give the expression for iL the current flowing through Ru in terms of V Vz and Vo If R R and R R derive the expression for iL What do you observe? What is the function of this circuit?
Step by Step Solution
There are 3 Steps involved in it
1 Expert Approved Answer
Step: 1 Unlock
Question Has Been Solved by an Expert!
Get step-by-step solutions from verified subject matter experts
Step: 2 Unlock
Step: 3 Unlock
