Question: [15 marks] Prove the following by using the Boolean identities provided in Table 5. a. X+(XY+XY)=X+Y b. ((XY)Z)+(YZ)=YZ c. XY=XY+XYZ [15 marks] For the state
![[15 marks] Prove the following by using the Boolean identities provided](https://s3.amazonaws.com/si.experts.images/answers/2024/09/66d9129f1223a_11066d9129e7eca2.jpg)
![in Table 5. a. X+(XY+XY)=X+Y b. ((XY)Z)+(YZ)=YZ c. XY=XY+XYZ [15 marks] For](https://s3.amazonaws.com/si.experts.images/answers/2024/09/66d9129fcaae1_11166d9129f4b4fe.jpg)


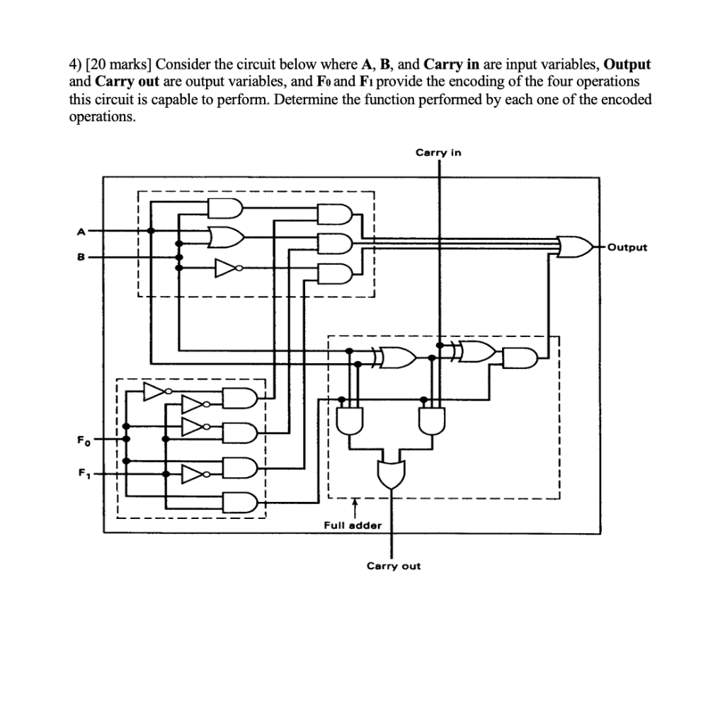
[15 marks] Prove the following by using the Boolean identities provided in Table 5. a. X+(XY+XY)=X+Y b. ((XY)Z)+(YZ)=YZ c. XY=XY+XYZ [15 marks] For the state table below derive the Boolean expressions (sum-of-products) for the outputs D and B. Your answers for both B and D outputs must use the Exclusive OR (XOR) operator. 3) [30 marks] For each of the following circuits, determine the sum-of-products expression. 4) [20 marks] Consider the circuit below where A,B, and Carry in are input variables, Output and Carry out are output variables, and F0 and F1 provide the encoding of the four operations this circuit is capable to perform. Determine the function performed by each one of the encoded operations. TABLE 5 Boolean Identities
Step by Step Solution
There are 3 Steps involved in it
Get step-by-step solutions from verified subject matter experts
