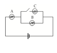
Question: 3. Usethe circuit below to answer the questions; each bulb has a resistance of R ohms. a). What is the circuit resistance when the switch
3. Usethe circuit below to answer the questions; each bulb has a resistance of R ohms.
a). What is the circuit resistance when the switch is open? What is it when it is closed? Explain your answer
b) What effect does turning off the light have on the brightness of bulbs A and B in regards with current and potential drop.

\f
Step by Step Solution
There are 3 Steps involved in it
1 Expert Approved Answer
Step: 1 Unlock
Question Has Been Solved by an Expert!
Get step-by-step solutions from verified subject matter experts
Step: 2 Unlock
Step: 3 Unlock
