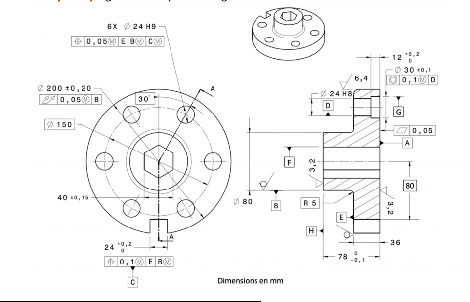
Question: 6X 24 H9 0,05 E BM CM 200 0,20 0,05 B 30 150 40 0,15 +0,2 24 +0 0,1ME BM , F 3,2 D
6X 24 H9 0,05 E BM CM 200 0,20 0,05 B 30 150 40 0,15 +0,2 24 +0 0,1ME BM , F 3,2 D 24 H8 6,4 12 30 0,1 0,1M D 80 B R 5 E H Dimensions en mm G 0,05 A 3,2 36 78 -0,1 80
Step by Step Solution
There are 3 Steps involved in it
Get step-by-step solutions from verified subject matter experts
