Question: 8- Given the following Boolean function in sum-of-products form (minterms) F(A, B, C, D) (1,3,4,5,8,9,10,11,12,13) i- F(A,B,C.D) can be converted into maxterms using the complement.



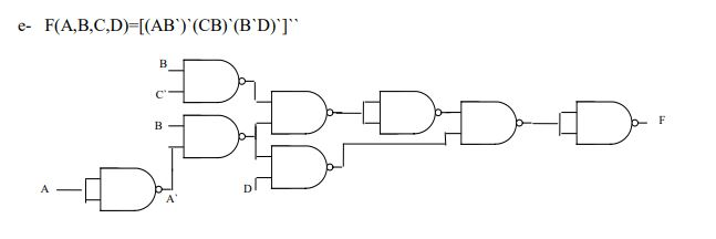
8- Given the following Boolean function in sum-of-products form (minterms) F(A, B, C, D) (1,3,4,5,8,9,10,11,12,13) i- F(A,B,C.D) can be converted into maxterms using the complement. Which one of the following represents the correct product of sums (maxterms) of F(A,B,C,D); a II(0,2,6,7,8,14,15) d- 11(0,3,4,7, 14.15) b- 11(0,2,6,7, 11, 14, 15) e c- IT0,3,6,7,14,15) IT0,2,6,7,14,15) ii- The following four-variable K-map is used to simplify F(A,B,C,D) in sum of products. Select the correct simplification from the following: a- F(A, B, C, D)F AB+C B+BD b- F(A, B, C, D)- AB +C B+B D c- F(A, B, C, D- AD+C B+BD e- F(A, B, C, D)- AB +CB+B'D d- F(A, B, C, D)- A B AB +B'D iii- Convert your selection in (ii) using De Morgan's formula to product of sums and select the one that matches it from the following; a F(A,B,C,D) [(A+B) (C+B)(B+D)] b- F(A,B,C,D (A +B)(C+B)(B+D)] d- F(A,B,C,D) [(A+B)(A +B)(B+D)] e- F(A,B,C,D) I(A+B)(C+B)(B+D)] iv- Draw the logic diagram with NAND gates only for the simplified output that you have selected in (iii) and match it to one of the following
Step by Step Solution
There are 3 Steps involved in it
Get step-by-step solutions from verified subject matter experts
