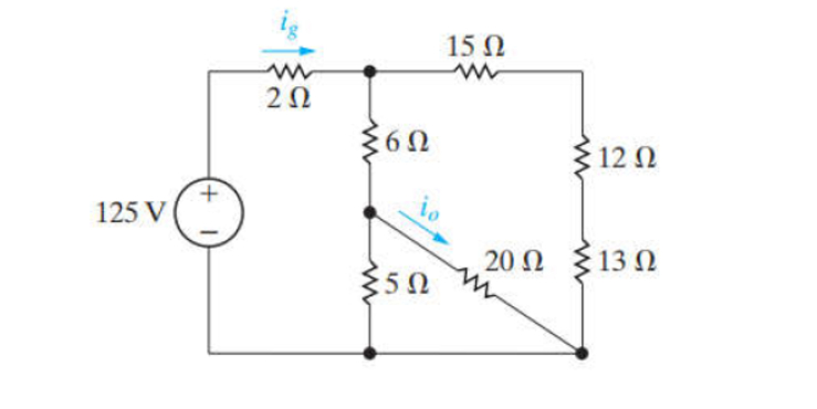
Question: A a da verilen devrede ak m b l c ve gerilim b l c kullanarak i _ ( g ) ve i _ (
Aada verilen devrede akm blc ve gerilim
blc kullanarak ig ve io akmlarnn deerlerini
bulunuz.
Step by Step Solution
There are 3 Steps involved in it
1 Expert Approved Answer
Step: 1 Unlock
Question Has Been Solved by an Expert!
Get step-by-step solutions from verified subject matter experts
Step: 2 Unlock
Step: 3 Unlock
