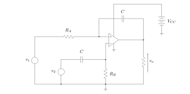
Question: a ) Derive the expression for vo as a function of vs b ) Indicate the type of feedback present in each operational amplifier.
a Derive the expression for vo as a function of vs
b Indicate the type of feedback present in each operational amplifier.
Step by Step Solution
There are 3 Steps involved in it
1 Expert Approved Answer
Step: 1 Unlock
Question Has Been Solved by an Expert!
Get step-by-step solutions from verified subject matter experts
Step: 2 Unlock
Step: 3 Unlock
