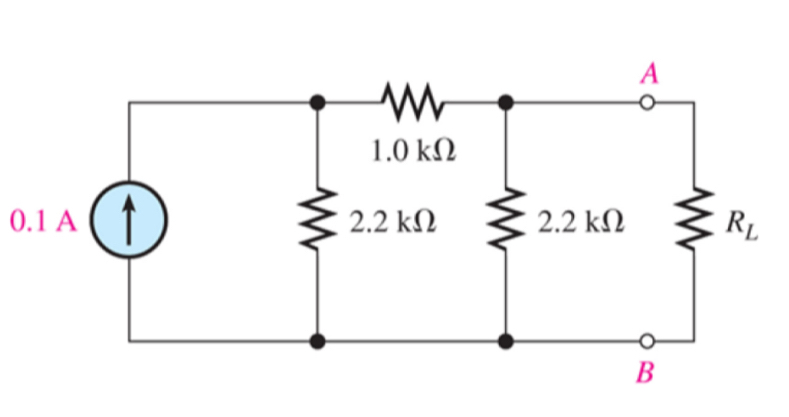
Question: ( a ) Taking the left part from points A and B as the Thevenin equivalent circuit, what is the value of VTH ? (
a Taking the left part from points A and B as the Thevenin equivalent circuit, what is the value of VTHunit: V
b What is the value of RTHunit: k
c Taking the left part from points A and B as the Norton equivalent circuit, what is the value of INunit: V
d Please use the voltagecurrent source transform formula to verify your answer of a and c are both correct.
Step by Step Solution
There are 3 Steps involved in it
1 Expert Approved Answer
Step: 1 Unlock
Question Has Been Solved by an Expert!
Get step-by-step solutions from verified subject matter experts
Step: 2 Unlock
Step: 3 Unlock
