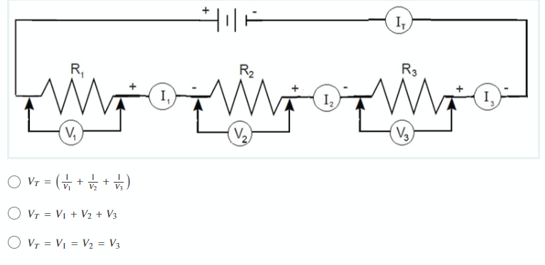
Question: Answer the following. Choose the correct answer. 1. Three resistors have individual voltages labeled V1, V2and, V3respectively. Which of the following expresses the value of
Answer the following. Choose the correct answer.
1. Three resistors have individual voltages labeled V1, V2and, V3respectively. Which of the following expresses the value of the total voltagetaken over the three resistors together?






+ IT Wi V V VVy = Vi + V2 + V VT = VI = V = V VT = 1 +\f+ IT R, R2 R3 + V2 O Vr = (V + Vz O Vr = Vit V2 + V3 O VT = VI = V2 = V3\fR 3
Step by Step Solution
There are 3 Steps involved in it
1 Expert Approved Answer
Step: 1 Unlock
Question Has Been Solved by an Expert!
Get step-by-step solutions from verified subject matter experts
Step: 2 Unlock
Step: 3 Unlock
