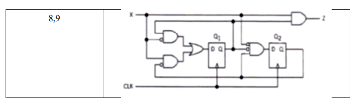
Question: Answer the following sequential circuit questions. Your question circuit will be based on your final matrix number in the following table 1: What is the
Answer the following sequential circuit questions. Your question circuit will be based on your final matrix number in the following table


1: What is the difference between latch and flip-flop
2: What is the problem solved by the implementation of master slave JK flipflop
Step by Step Solution
There are 3 Steps involved in it
Get step-by-step solutions from verified subject matter experts
