Question: Assignment Assume that you are a refrigeration engineer and you are required to produce a written report on the energy performance of the refrigeration system












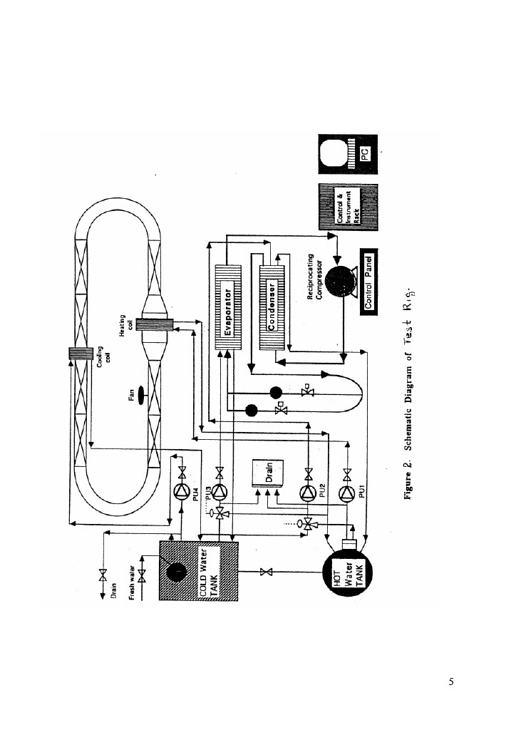
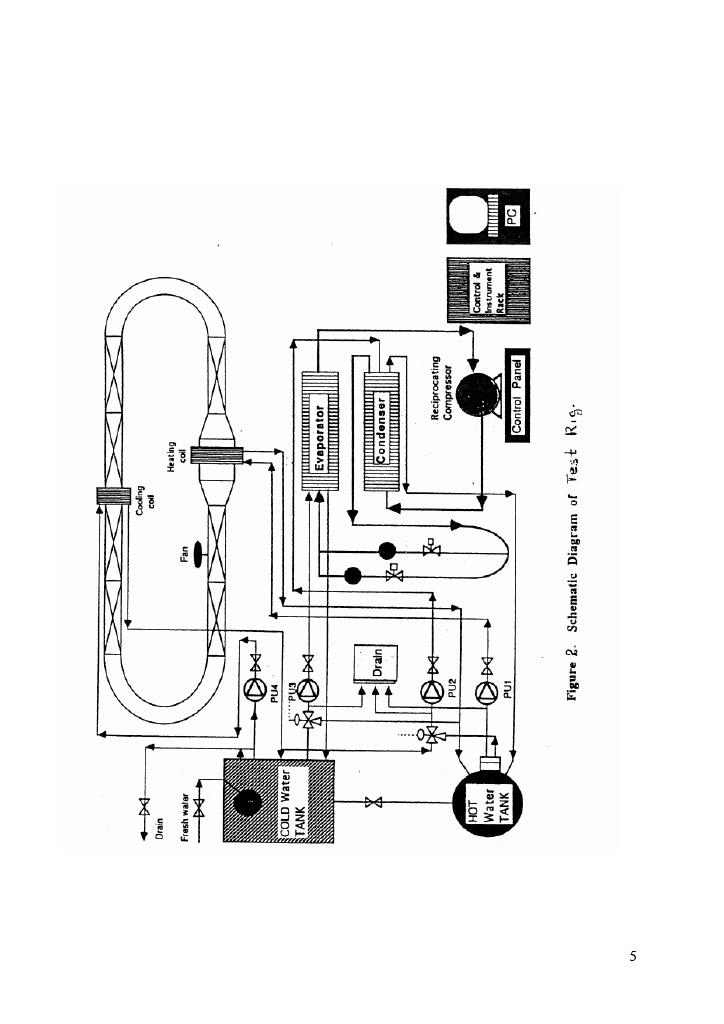
Assignment Assume that you are a refrigeration engineer and you are required to produce a written report on the energy performance of the refrigeration system you have tested in the laboratory. You have carried out steady state tests for three condenser water leaving temperatures (approximately constant refrigerant condensing temperatures (sink)) and a range of evaporator water leaving temperatures (constant refrigerant evaporating temperatures (source)). You are expected to: Task 1 - Plot the performance characteristics (performance maps) of the refrigeration system as functions of the condenser water leaving and evaporator water leaving temperatures. These characteristics should include power consumption, cooling capacity and COP. Task 2 - Calculate and plot other characteristics (efficiencies) that you may feel are relevant to your discussion and the performance evaluation of the system. Task 3 - Calculate and Plot the Carnot COP and compare it with the actual COP of the system discussing the main reasons for the difference in the two values. Task 4 - Discuss the performance characteristics of the system and their implications with respect to system design and optimal operation. Advice Try to address all the above points in your report. Your main report should not be more than 10 pages A4 size (including graphs) and should be typed or produced on a word processor; sample calculations which should be included in an Appendix may be hand written. You may use a spreadsheet package to facilitate your calculations. All the experimental results are written in Excel format in a separate file provided. For your calculations you will need the properties of R404A. You can read these properties from the property tables given in the attached file (R404A_Properties.pdf) or the P-h Chart shown in Appendix C. Please note that the pressures in the tables and chart are in absolute values. The pressure readings in the Excel file have already been converted to absolute values. In addition, R404A is a near-azeotropec mixture of HFC-125/143a/134a, 44/52/4% by weight. It is a non-ozone depleting compound, designed to serve as an alternative to R502 and R22 in commercial refrigeration applications. Compared to pure refrigerant, at constant temperature in saturation region, the R404A pressures of saturated vapour and liquid are slightly different, as shown in the provided property table and p-h Chart in Appendix C. On the other hand, at constant pressure in saturation region, the R404A temperatures of saturated vapour and liquid are also a little varied. Please also note that enthalpy and entropy properties taken from the tables and the Chart for a given refrigerant state may be different. This is because different refrigerant manufacturers use different origins to calculate enthalpies and entropies. Irrespective of whether you use the chart or tables you should arrive at the same answer because although the absolute values of the properties may be different the difference between the absolute values at the beginning and end of a process will be the same. What is of the interest is the change in enthalpy or entropy during a process and not the absolute values at the beginning and end of the process. It is important 2therefore not to mix enthalpy and entropy properties taken from the charts or tables if these have been produced by different chemical companies. The experimental test facility and experimental method are described in Appendices A and B respectively. You can make your own assumptions where necessary but make sure to specify these assumptions and clearly justify them in your report. Method of assessment Your report will be marked on the clarity of your presentation, the accuracy of your calculations, the logic underlying the justifications of any assumptions you make, and the quality of your discussion and conclusions. The breakdown of the marks is as follows: Presentation - (20%), (This will include the following: structure of report; clarity of structure (including sections such as executive summary, glossary, notation etc); frequency and format of referencing, appropriate length; language - grammar, spelling, and syntax). Task 1 - (20%) Task 2 - (20%) Task 3 - (20%) Task 4 - (20%) Indicative Reading List: 1. Energy Conversion Technologies Lecture Notes (Part 1) 2. M.J. Gordon and K.C. Ng, Cool Thermodynamics: The Engineering and Physics of Predictive, Diagnostic and Optimization Methods for Cooling Systems - Cambridge International Science Publishing (2000). ISBN: 1898326908 3. ASHRAE Handbook - Fundamentals (SI Units), American Society of Heating, Refrigerating, and Air- Conditioning Engineers (2005). ISBN: 1931862710 OTHER 4. James B. Rishel, Thomas H. Durkin and Benny L. Kincaid. HVAC Pump Handbook - McGraw-Hill Handbooks, second edition (2006). ISBN: 0-07-145784-4 5. T. D. Eastop and A. McConkey, Applied Thermodynamics for Engineering Technologists - Prentice Hall, fifth edition (1996). ISBN: 0582091934 6. Applied Thermal Engineering. Design, Processes, Equipment and Economics - ELSEVIER (2009). ISSN: 1359-4311 3APPENDIX A Experimental test facility The test facility is based around a chiller of nominal cooling capacity of 25 kW. The chiller is equipped with shell and tube heat exchangers, an externally equalised thermostatic expansion valve, a 4 cylinder hermetic compressor designed for use with R404A and appropriate controls. The compressor displacement is 45.07 m'/hr at 1450 rpm. A Danfoss DQ5 electronic expansion valve is mounted in parallel to the thermostatic valve to enable performance comparison of the two valves to be carried out. Modifications carried out on the system enable easy introduction and testing of alternative types of compressor and variable speed drives. Test conditions on the chiller are achieved through two water-storage tanks and 3-way mixing valves. The valves mix appropriate quantities of chilled and hot water from the respective tanks to achieve the required temperatures at the condenser and evaporator. A recirculatory air tunnel acts as a balancing mechanism between the hot and cold sides of the system. The tunnel can also be used to simulate ambient conditions for air cooled evaporators and condensers. The test facility is comprehensively instrumented to provide the necessary data for control and optimisation studies. Data logging is performed automatically with a microcomputer based data logging system. The computer records refrigerant temperatures and pressures at four points in the cycle, before and after each major component, water temperatures at the inlet and outlet of the condenser and evaporator, water flow rates in the condenser and evaporator and the power consumption of the compressor motor. The system is very flexible, allowing variation in the number of the logged cycles and the logging cycle time. The logging time used in the experiment was 4 s per cycle. The system is capable of producing all the measured data in an Excel format for subsequent analysis. The instrumentation points are shown in Figure 1. The experimental test facility is shown in Figure 2. water flow instrumentation points 3 $8 - EVAPORATOR 4 T thermostatic valve electronic solenoid valve valves 2 COMPRESSOR CONDENSER water flow electronic valve 4 controller Figure 1. Experimental test FacilityCooling coll Drain Heating Fresh water Fan coil PU4 COLD Water TANK 5""PUJ NON Evaporator Drain Condenser ....X 94 Reciprocating PUZ Compressor HOT Control & Water Instrument Rack TANK PUT 2 Control Panel Figure 2. Schematic Diagram of Test Ris. 5APPENDIX B Experimental Method Three sets of experimental tests were carried out for condenser water leaving temperatures of 30 C, 35 C and 40C. The condenser water leaving temperature approximately corresponds to a constant refrigerant condensing temperature (sink). For each condenser water leaving temperature the evaporator water leaving temperature which approximately corresponds to a constant refrigerant evaporating temperature (source) was varied from 5C to 10'C in steps of approximately 10C. In experimental investigations it is very difficult to ensure that conditions are kept constant at exactly the required value and you will see from the results (temperature T8) that the evaporator water leaving temperature fluctuates between +/- 0.25 C about the set point. A number of readings were taken for each set-point and to produce accurate results you will need to average these values. This can be done using a spreadsheet package such as Excel. Sets of readings which deviate considerably from the set point can be disregarded After averaging the readings you should end up with 6 sets of readings for each condenser water leaving temperature. All graphs plotted should be based on these readings. The reading for the refrigerant mass flow should be disregarded. Calculation of the refrigerant mass flow rate should be based on an energy balance between the refrigerant and the water across the condenser. For convenience you can perform all the analysis and plot all the required graphs using Excel or a similar package. Manual calculations and graph plotting will also be accepted. 6
Step by Step Solution
There are 3 Steps involved in it
Get step-by-step solutions from verified subject matter experts
