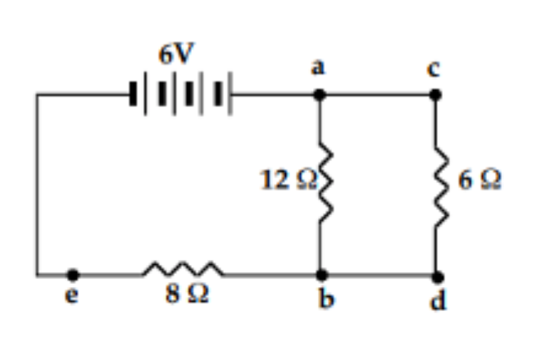
Question: Based on the provided circuit, complete the table below and show your calculations in a different sheet V I R a-b c-d b-e Total f
Based on the provided circuit, complete the table below and show your calculations in a different sheet
V | I | R | |
a-b | |||
c-d | |||
b-e | |||
Total |

\f
Step by Step Solution
There are 3 Steps involved in it
Get step-by-step solutions from verified subject matter experts
