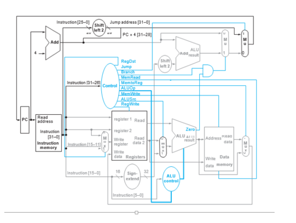
Question: Below is table that indicates which control lines are set for each type of instruction for the single- cycle implementation shown in Figure 4.24 of


Below is table that indicates which control lines are set for each type of instruction for the single- cycle implementation shown in Figure 4.24 of your textbook, which is also shown on the following page. Indi- cate the setting for each control line to support the addiu instruction, which should not require any modi- fications to the datapath. Use an X if the value for the control line does not matter. (30 points) ALU ALU RegALUMemto Reg MemMem DstSrc Instruction BranchJump Reg Write Read Write R-format SW beq addiu Modify the datapath and control for the single-cycle implementation shown on the following page to add the instruction jr (jump register). You should also indicate each of the appropriate settings for the control lines to support the jr instruction in the table above. You can assume that the opcode field uniquely identi- fies the jr instruction. (40 points)
Step by Step Solution
There are 3 Steps involved in it
Get step-by-step solutions from verified subject matter experts
