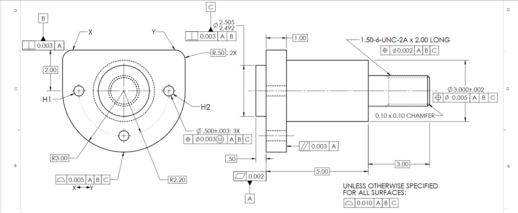
Question: can you make this in Solid Works please. Please give me every step you do in SolidWorks so I can replicate it exactly.
can you make this in Solid Works please. Please give me every step you do in SolidWorks so I can replicate it exactly.
Step by Step Solution
There are 3 Steps involved in it
1 Expert Approved Answer
Step: 1 Unlock
Question Has Been Solved by an Expert!
Get step-by-step solutions from verified subject matter experts
Step: 2 Unlock
Step: 3 Unlock
