Databases Questions and Answers October 21, 2019

Expert-verified solutions to help you succeed

Showing 100 - 200 of 1500
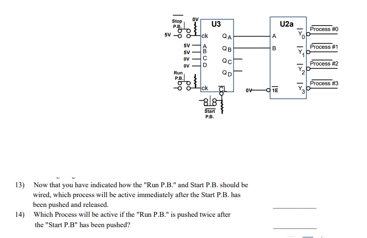
  • 2 / 15