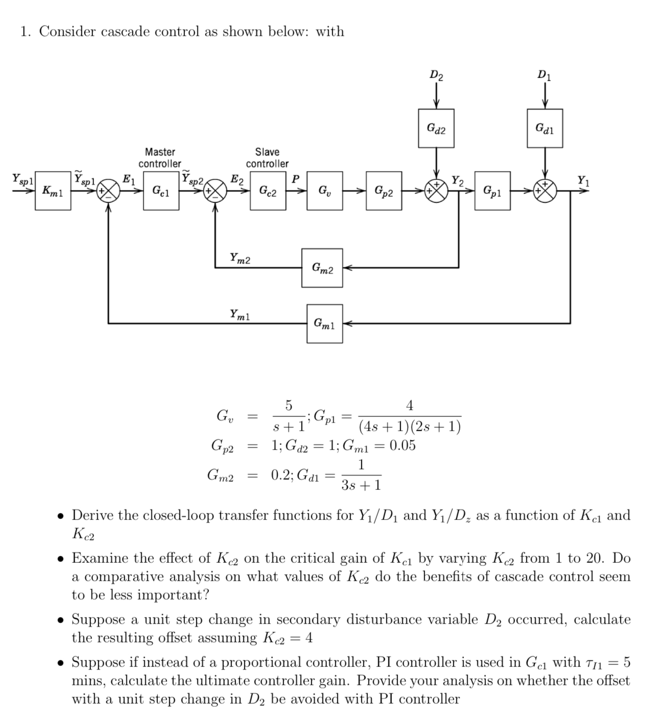
Question: Consider cascade control as shown below: with G v = 5 s + 1 ; G p 1 = 4 ( 4 s + 1
Consider cascade control as shown below: with
;
;;
;
Derive the closedloop transfer functions for and as a function of and
Examine the effect of on the critical gain of by varying from to Do a comparative analysis on what values of do the benefits of cascade control seem to be less important?
Suppose a unit step change in secondary disturbance variable occurred, calculate the resulting offset assuming
Suppose if instead of a proportional controller, PI controller is used in with mins, calculate the ultimate controller gain. Provide your analysis on whether the offset with a unit step change in be avoided with PI controller
I need appropriate results please
Step by Step Solution
There are 3 Steps involved in it
1 Expert Approved Answer
Step: 1 Unlock
Question Has Been Solved by an Expert!
Get step-by-step solutions from verified subject matter experts
Step: 2 Unlock
Step: 3 Unlock
