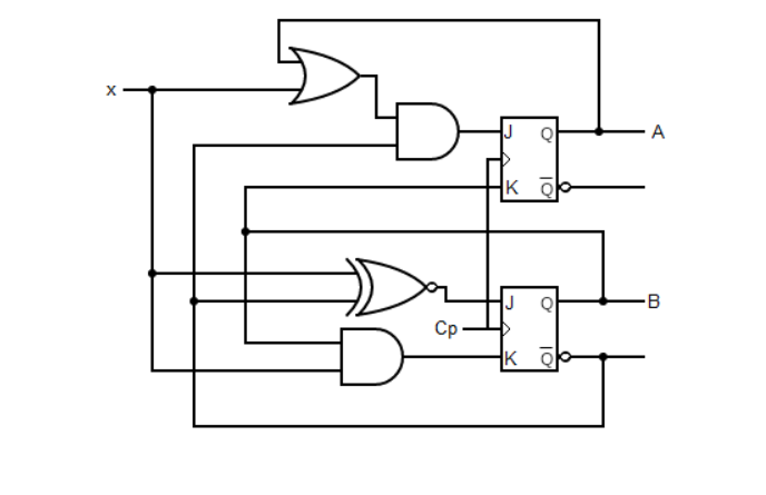
Question: Consider the following sequential circuit. Determine its state table and state diagram. x A K J B . AKO
Consider the following sequential circuit. Determine its state table and state diagram.

x A K J B . AKO
Step by Step Solution
There are 3 Steps involved in it
Get step-by-step solutions from verified subject matter experts
