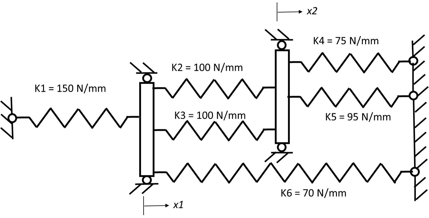
Question: Consider the spring assemblage system shown. what is its degree of freedom (DOF) write the equation of motion obtain the mass matrix obtain the stiffness
Consider the spring assemblage system shown.
- what is its degree of freedom (DOF)
- write the equation of motion
- obtain the mass matrix
- obtain the stiffness matrix
- determine the natural frequencies
- determine the orthogonal mode shapes
- obtain the mass matrix (m1 = 20 kg, m2 = 25 kg)

x2 K1 = 150 N/mm = K2 100 N/mm K4 = 75 N/mm K3 100 N/mm K5 = 95 N/mm K6 = 70 N/mm x1
Step by Step Solution
There are 3 Steps involved in it
Get step-by-step solutions from verified subject matter experts
