Question: Could you explain this problem. Pls give me explanation for the steps. More on Chip Organization Preceding 1 6 x 8 chip has only 1
Could you explain this problem. Pls give me explanation for the steps.
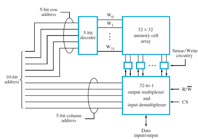
More on Chip Organization
Preceding x chip has only storage cells
With powerground need pins
Larger chips: similar organization, more pins
For example, a chip with cells could be
organized as x pins or
alternatively as x pins
Pin count dictates cost, so consider x
Use x array & divide address bits to have
upper bits for row, lower bits for column
Step by Step Solution
There are 3 Steps involved in it
1 Expert Approved Answer
Step: 1 Unlock
Question Has Been Solved by an Expert!
Get step-by-step solutions from verified subject matter experts
Step: 2 Unlock
Step: 3 Unlock
