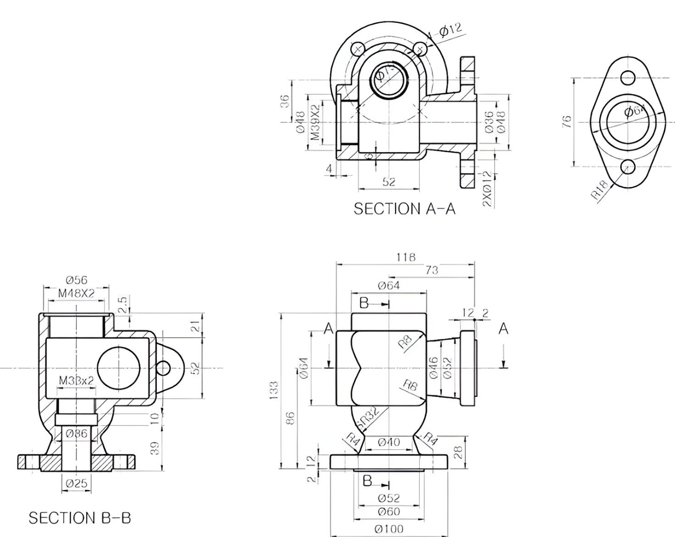
Question: Create each part using SolidWorks and assemble them. Provide a picture of the assembly in 3 D format. Do not provide theoretical answers. Incorrect answers
Create each part using SolidWorks and assemble them. Provide a picture of the assembly in D format. Do not provide theoretical answers. Incorrect answers will be disliked.
Step by Step Solution
There are 3 Steps involved in it
1 Expert Approved Answer
Step: 1 Unlock
Question Has Been Solved by an Expert!
Get step-by-step solutions from verified subject matter experts
Step: 2 Unlock
Step: 3 Unlock
