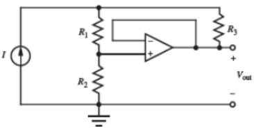
Question: Determine V out as a function of I (provided by a current source) and the resistor values for each of the op amp circuits that
Determine Vout as a function of I (provided by a current source) and the resistor values for each of the op amp circuits that follows. Assume ideal op amp behavior.
rna.
b.

R1
Step by Step Solution
3.45 Rating (158 Votes )
There are 3 Steps involved in it
To determine Vtextout for these opamp circuits we need to analyze each circuit individually Circuit ... View full answer
Get step-by-step solutions from verified subject matter experts
