Question: Develop Code that will implement this flowchart using C ++ Programming Start with All the LEDs Turned Off 1.) Press and release the switch SW3
Develop Code that will implement this flowchart using C ++ Programming
Start with All the LEDs Turned Off
1.) Press and release the switch SW3 one time ------> LED6 turns ON
2.) Press and release the switch SW3 again ------> LED6 turns OFF
3.) Press and release the switch SW3 again ------> LED5 turns ON
4.) Press and release the switch SW3 again ------> LED5 turns OFF
5.) Press and hold switch SW3 ------> LED4 turns ON
6.) Release switch SW3 ------> LED4 turns OFF and LED3 turns ON
7.) Press and hold switch SW3 ------> LED2 turns ON
8.) Release switch SW3 ------> LED3 turns OFF and LED1 turns ON
9.) Press and hold switch SW3 ------> LED0 turns ON and LED1 turns OFF
10.) Release switch SW3 ------> LED2 turns OFF and LED0 turns OFF
11.) Return to step 1 and repeat
Implement this flowchart using IF, ELSEIF, or ELSE statements
The code would then be loaded into a dspic33 using PICkit3

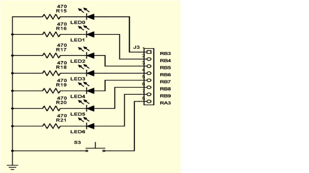
470 R15 470 LEDO R1 6 LED1 470 R17 J3 470 LED2 R18 470 LED3 R19K*. RB5 RB6 RBT 470 LED4 R R 2 470 LEDS R21 LED6 S3
Step by Step Solution
There are 3 Steps involved in it
Get step-by-step solutions from verified subject matter experts
