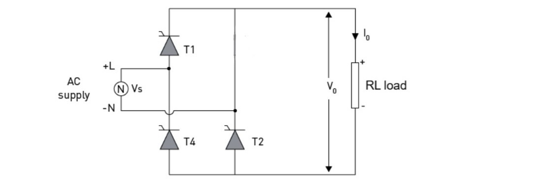
Question: draw separately the input and output voltage waveform by assuming the thyristor T 3 is damaged and it is short circuited.
draw separately the input and output voltage waveform by assuming the thyristor T is damaged and it is short circuited.
Step by Step Solution
There are 3 Steps involved in it
1 Expert Approved Answer
Step: 1 Unlock
Question Has Been Solved by an Expert!
Get step-by-step solutions from verified subject matter experts
Step: 2 Unlock
Step: 3 Unlock
