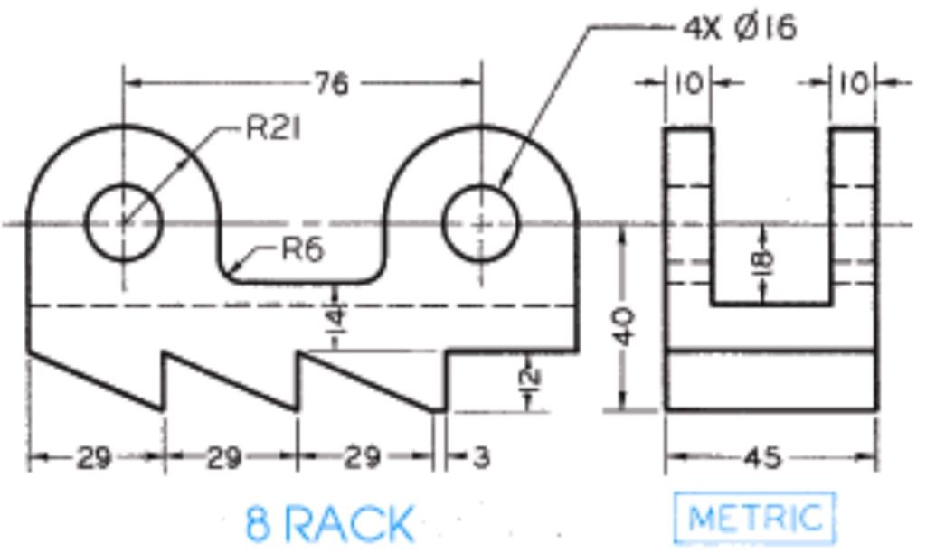
Question: FIRST PHOTO: MAKE OBLIQUE PROJECTION WITH INSTRUMENTS ( CAVALIER PROJECTION ) ; WITHOUT HIDDEN LINES ON PAPER WITH PENCIL PLEASE SECOND PHOTO IS AN EXAMPLE
FIRST PHOTO:
MAKE OBLIQUE PROJECTION WITH INSTRUMENTS CAVALIER PROJECTION ; WITHOUT HIDDEN LINES
ON PAPER WITH PENCIL PLEASE
SECOND PHOTO IS AN EXAMPLE FOR OBLIQUE PROJECTION
Step by Step Solution
There are 3 Steps involved in it
1 Expert Approved Answer
Step: 1 Unlock
Question Has Been Solved by an Expert!
Get step-by-step solutions from verified subject matter experts
Step: 2 Unlock
Step: 3 Unlock
