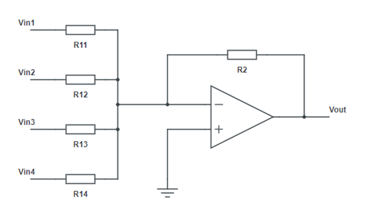
Question: For the circuit below, Vin 1 = 2 V , Vin 2 = 3 V , Vin 3 = 4 V , Vin 4 =
For the circuit below, VinV VinV VinV VinV RRR Rk Rk
a Name the type of amplifier Blank Question
b What is the output Voltage for Vout.Blank Question
c What is the total input voltage and the average of the input voltage Blank Question
InvertingAmplifier SummingAmplifier DifferentialAmplifier V V V V V
Step by Step Solution
There are 3 Steps involved in it
1 Expert Approved Answer
Step: 1 Unlock
Question Has Been Solved by an Expert!
Get step-by-step solutions from verified subject matter experts
Step: 2 Unlock
Step: 3 Unlock
