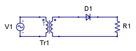
Question: Given: V 1 = 1 2 0 V ( RMS ) , f = 6 0 Hz , R 1 = 1 0 ohm, VDON
Given: VVRMS fHz R ohm, VDONV and the turns ratio of the transformer is :
Calculate the peak voltage across R
Step by Step Solution
There are 3 Steps involved in it
1 Expert Approved Answer
Step: 1 Unlock
Question Has Been Solved by an Expert!
Get step-by-step solutions from verified subject matter experts
Step: 2 Unlock
Step: 3 Unlock
