Question: Hello, could you please thoroughly explain this entire circuit? Please point out different sections of and assign their function with a label, such as a
Hello, could you please thoroughly explain this entire circuit? Please point out different sections of and assign their function with a label, such as a voltage divider, or a single component that plays an important role.
Here is the given question for reference:
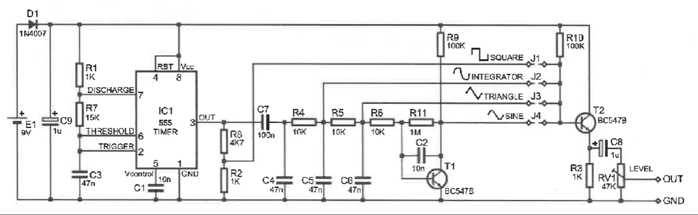
"Use what you have learned about circuits in this class to talk about how the different parts of this circuit work. Use the labels on the diagram R R etc. to identify which components you are referring to as you describe their rolefunction You will receive a maximum of pts for each component or combination of components that you talk about correctly. For example, if you find a voltage divider and correctly compute the division factor, you would get pts for that. If you did that and also explained what role the divider is playing in the circuit, you would get the full pts You may want to change the values of some components in your simulation to better understand their role in the circuit. You can include empirical data from observations like this in your explanation of the role of a given component; this qualifies as part of the evidence that you understand how that component functions in the circuit. However, full credit will only be given when you include evidence of understanding beyond just empirical observations of what happens when you change a component value. The more components that you identify and explain, the more points you will get up to a maximum of Please clearly delineate each component or combination of components so that it is obvious how many different items you are seeking credit for."
Step by Step Solution
There are 3 Steps involved in it
1 Expert Approved Answer
Step: 1 Unlock
Question Has Been Solved by an Expert!
Get step-by-step solutions from verified subject matter experts
Step: 2 Unlock
Step: 3 Unlock
