Question: Help Plz Prepare a materials list for the residential windows shown in the figure below. Determine the cost to install the windows using a productivity
Help Plz




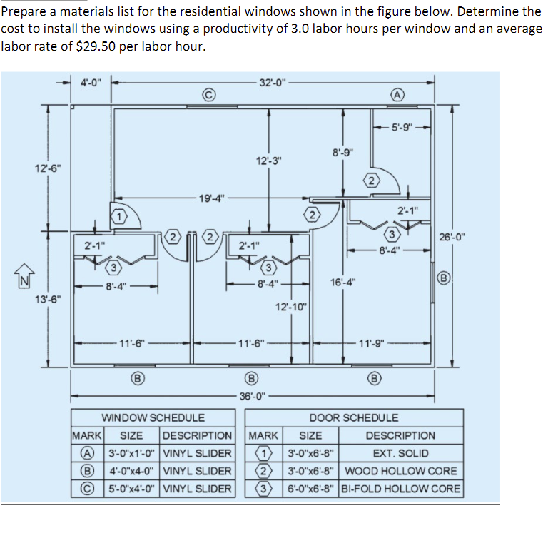
Prepare a materials list for the residential windows shown in the figure below. Determine the cost to install the windows using a productivity of 3.!) labor hours per window and an average labor rate of $29.50 per labor hour. *1 tW@l 1 aI-all HD' mm mm @m [GI-m [GI- [@IW_ [BI- Prepare a materials list for the residential doors. Be sure to specify svving. Determine the cost to install the doors using the productivity rates provided and an average labor rate of $29.50 per labor hour. -| 4'43\" 3241- -| 1 aI-all HD' 2am mm Elm_ [on [ex [alm [an 551 \" \" Determine the linear feet of aluminum tubing needed for the storefront in the gure below. Prepare a materials list for the glass required for the storefront. Howr many square feet of glass is required for the storefront? Determine the cost to install the storefront using a productivity of 0.03 labor hours per square foot and an average labor rate of $32.95 per labor hour
Step by Step Solution
There are 3 Steps involved in it
Get step-by-step solutions from verified subject matter experts
