Question: I NEED A CLEAR EXPLANATION Background Your task is to design the nominated mechanical components associated with a 25 tonne overhead crane hoist drive. The




I NEED A CLEAR EXPLANATION
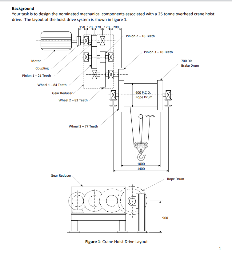
Background Your task is to design the nominated mechanical components associated with a 25 tonne overhead crane hoist drive. The layout of the hoist drive system is shown in figure 1. 159, 170, 170, 170, 200, Pinion 2 - 18 Teeth Pinion 3 -18 Teeth Motor 700 Dia Brake Drum Coupling Pinion 1-21 Teeth ---- Wheel 1 - 84 Teeth Gear Reducer 600 P.C.D. Rope Drum Wheel 2-83 Teeth Wheel 3 - 77 Teeth 1000 1400 Gear Reducer Rope Drum LY ------- 900 Figure 1: Crane Hoist Drive Layout General Figure 1 shows the general layout and critical dimensions of the crane hoist drive unit. Clearly, some aspects of the design are not ideal, and would not be implemented in practice. In these cases simplifications have been introduced in order to reduce the complexity of the overall problem. Figure 2 shows details of the rope drum fitted with a drive gear (Wheel 3) and a brake drum. The shell of the drum is welded to the end disks that are in turn fixed to the shaft via locking elements. The shaft then rotates in rolling element bearings at each end. 1400 mm 1000 mm Bearing Housing Locking Element Gear (Wheel 3) Brake Drum Figure 2: Rope Drum Details Drive Details: Motor Type: 45 kW electric motor Torque Regulation: 4 step voltage control Motor Full Load Output Speed: 1440 rpm Rotational Mass Moment of Inertia: 0.495 kg.m? Breakdown (Pullout) Torque / Rated (Full-load) Torque = 3.75 Locked Rotor (Starting) Torque / Rated (Full-load) Torque = 1.4 Coupling Details: Rotational Mass Moment of Inertia: 0.005 kg.m? Gear Details: All Gears - Spur Gears Pressure Angle, y = 20 Pinion 1: Wheel 1: Pinion 2: Wheel 2: No. Teeth-21 Module-5 mm Rotational Mass Moment of Inertia: 0.007 kg.m? No. Teeth - 84 Module-5 mm Rotational Mass Moment of Inertia: 0.720 kg.m? No. Teeth - 18 Module - 7 mm Rotational Mass Moment of Inertia: 0.020 kg.m2 No. Teeth-83 Module - 7 mm Rotational Mass Moment of Inertia: 8.650 kg.m? No. Teeth - 18 Module -9 mm Rotational Mass Moment of Inertia: 0.200 kg.m? No. Teeth-77 Module -9 mm Rotational Mass Moment of Inertia: 1850 kg.m? Assume 98% Efficiency for all Gears Pinion 3: Wheel 3, Drum and Brake: Efficiency: Rope Drum and Hook Assembly: Rope Drum Mass - 600 kg Hook and Sheave Assembly Mass - 200 kg Brake Details: Braking Torque: 20000 Nm Drum Diameter: 700 mm Drum Width: 250 mm Shoe Pressure Limit: 1000 kPa Friction Coefficient between Drum and Shoe: u = 0.4 Shaft Material Properties Material: Plain Carbon Steel Tensile Strength: 500 MPa Endurance Limit: 0.45 x 500 MPa = 225 MPa Yield Strength: 350 MPa Note: Where insufficient detail is provided the student is required to make appropriate engineering assumptions based on the overall context of the problem. State all assumptions made. Design the support structure for the rope drum. To simplify this task it is assumed the support structure consists of two structural steel columns, shown in figure 1. In practice, the gearbox support structure would be connected to improve the structural integrity of the base frame and reduce section sizes. This task requires the selection of; the steel sections for the support columns based on a maximum stress of 100 MPa, the base plate dimensions, the size of the welds to fix the columns to the base plates with the welds created using E60 electrodes, and the size of the foundation bolts that will be used to secure the columns to a rigid steel base. Background Your task is to design the nominated mechanical components associated with a 25 tonne overhead crane hoist drive. The layout of the hoist drive system is shown in figure 1. 159, 170, 170, 170, 200, Pinion 2 - 18 Teeth Pinion 3 -18 Teeth Motor 700 Dia Brake Drum Coupling Pinion 1-21 Teeth ---- Wheel 1 - 84 Teeth Gear Reducer 600 P.C.D. Rope Drum Wheel 2-83 Teeth Wheel 3 - 77 Teeth 1000 1400 Gear Reducer Rope Drum LY ------- 900 Figure 1: Crane Hoist Drive Layout General Figure 1 shows the general layout and critical dimensions of the crane hoist drive unit. Clearly, some aspects of the design are not ideal, and would not be implemented in practice. In these cases simplifications have been introduced in order to reduce the complexity of the overall problem. Figure 2 shows details of the rope drum fitted with a drive gear (Wheel 3) and a brake drum. The shell of the drum is welded to the end disks that are in turn fixed to the shaft via locking elements. The shaft then rotates in rolling element bearings at each end. 1400 mm 1000 mm Bearing Housing Locking Element Gear (Wheel 3) Brake Drum Figure 2: Rope Drum Details Drive Details: Motor Type: 45 kW electric motor Torque Regulation: 4 step voltage control Motor Full Load Output Speed: 1440 rpm Rotational Mass Moment of Inertia: 0.495 kg.m? Breakdown (Pullout) Torque / Rated (Full-load) Torque = 3.75 Locked Rotor (Starting) Torque / Rated (Full-load) Torque = 1.4 Coupling Details: Rotational Mass Moment of Inertia: 0.005 kg.m? Gear Details: All Gears - Spur Gears Pressure Angle, y = 20 Pinion 1: Wheel 1: Pinion 2: Wheel 2: No. Teeth-21 Module-5 mm Rotational Mass Moment of Inertia: 0.007 kg.m? No. Teeth - 84 Module-5 mm Rotational Mass Moment of Inertia: 0.720 kg.m? No. Teeth - 18 Module - 7 mm Rotational Mass Moment of Inertia: 0.020 kg.m2 No. Teeth-83 Module - 7 mm Rotational Mass Moment of Inertia: 8.650 kg.m? No. Teeth - 18 Module -9 mm Rotational Mass Moment of Inertia: 0.200 kg.m? No. Teeth-77 Module -9 mm Rotational Mass Moment of Inertia: 1850 kg.m? Assume 98% Efficiency for all Gears Pinion 3: Wheel 3, Drum and Brake: Efficiency: Rope Drum and Hook Assembly: Rope Drum Mass - 600 kg Hook and Sheave Assembly Mass - 200 kg Brake Details: Braking Torque: 20000 Nm Drum Diameter: 700 mm Drum Width: 250 mm Shoe Pressure Limit: 1000 kPa Friction Coefficient between Drum and Shoe: u = 0.4 Shaft Material Properties Material: Plain Carbon Steel Tensile Strength: 500 MPa Endurance Limit: 0.45 x 500 MPa = 225 MPa Yield Strength: 350 MPa Note: Where insufficient detail is provided the student is required to make appropriate engineering assumptions based on the overall context of the problem. State all assumptions made. Design the support structure for the rope drum. To simplify this task it is assumed the support structure consists of two structural steel columns, shown in figure 1. In practice, the gearbox support structure would be connected to improve the structural integrity of the base frame and reduce section sizes. This task requires the selection of; the steel sections for the support columns based on a maximum stress of 100 MPa, the base plate dimensions, the size of the welds to fix the columns to the base plates with the welds created using E60 electrodes, and the size of the foundation bolts that will be used to secure the columns to a rigid steel base
Step by Step Solution
There are 3 Steps involved in it
Get step-by-step solutions from verified subject matter experts
