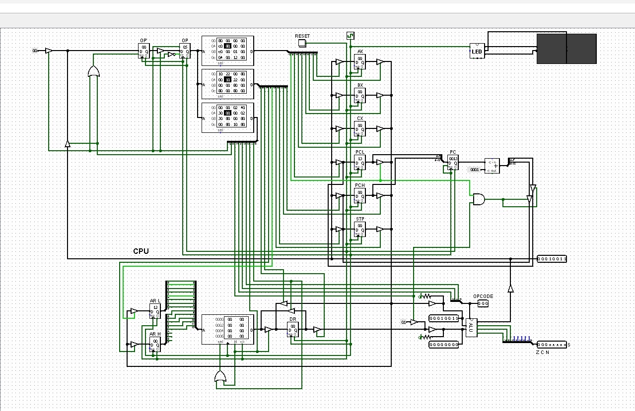
Question: I want an explaination on how does this circit work. and why the LED is not working here please Thank you.
I want an explaination on how does this circit work.
and why the LED is not working here please
Thank you.
Step by Step Solution
There are 3 Steps involved in it
1 Expert Approved Answer
Step: 1 Unlock
Question Has Been Solved by an Expert!
Get step-by-step solutions from verified subject matter experts
Step: 2 Unlock
Step: 3 Unlock
