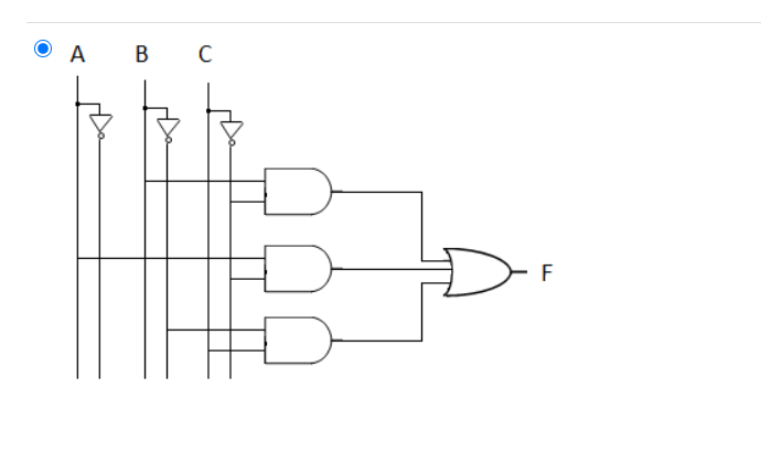
Question: Identify the correct gate diagram for F = A'B + C. A B C F A B C F F F F C F A




Identify the correct gate diagram for F = A'B + C. A B C F A B C F F F F C F A B C F
Step by Step Solution
There are 3 Steps involved in it
1 Expert Approved Answer
Step: 1 Unlock
Question Has Been Solved by an Expert!
Get step-by-step solutions from verified subject matter experts
Step: 2 Unlock
Step: 3 Unlock
