Question: If solving for the SHEAR CENTRE ( e ) gives the solution e = 1 9 . 3 mm , solve for the following: Question:
If solving for the SHEAR CENTRE e gives the solution e mm solve for the following:
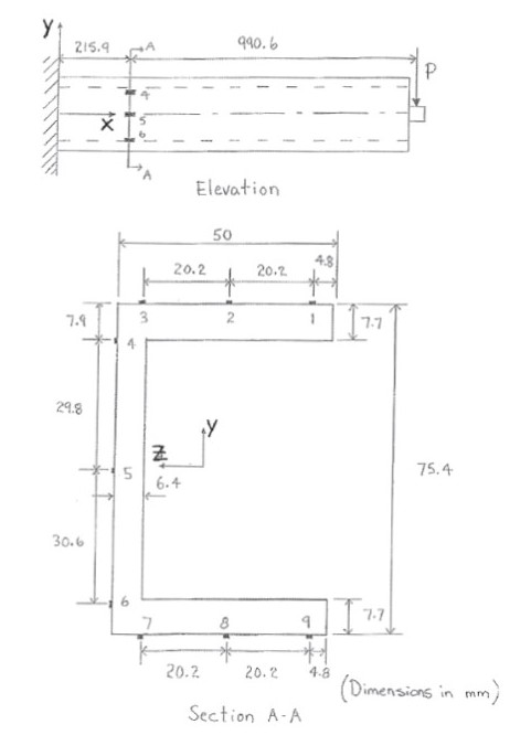
Question: Calculate the expected theoretical deflection when the section is bending due to loading at the shear centre e mm Use the diagram to help solve this question, as it was used to solve the shear centre e
Step by Step Solution
There are 3 Steps involved in it
1 Expert Approved Answer
Step: 1 Unlock
Question Has Been Solved by an Expert!
Get step-by-step solutions from verified subject matter experts
Step: 2 Unlock
Step: 3 Unlock
