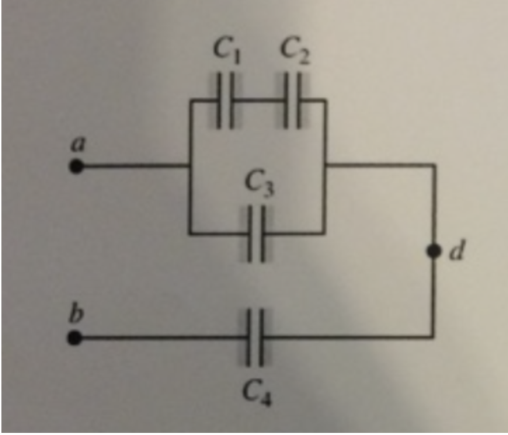
Question: In this figure C1 = 6F, C_2 = 3F, C_3 = 2F and C_4 = 4F. If the charge on capacitor C_1 is 10F then
In this figure C1 = 6F, C_2 = 3F, C_3 = 2F and C_4 = 4F. If the charge on capacitor C_1 is 10F then what is the voltage difference between points a and d?

CI C2 HA C3 CA
Step by Step Solution
There are 3 Steps involved in it
Get step-by-step solutions from verified subject matter experts
