Question: Make a 2 page report for this Industrial Control Panel, Schematic is provided. Follow the guidelines below for the write up. Learning Skills Assessed: Critical

Make a 2 page report for this Industrial Control Panel, Schematic is provided.

Follow the guidelines below for the write up.

Learning Skills Assessed: Critical Thinking, Communication Skills and Information Literacy. Purpose: The objective of this assignment is to assess engineering students' critical thinking , written communication and information literacy skills. The individual students assessment data is confidential. Learning Objectives: This assignment will assess engineering students' achievement of the following Student Learning Outcomes: ? An ability to communicate (written) effectively with a range of audiences. (Written Communication) ? An ability to develop and conduct appropriate experimentation, analyze and interpret data, and use engineering judgment to draw conclusions. (Critical Thinking) ? An ability to locate, evaluate scientific information, effectively integrate such information and correctly and completely cite and reference such information. (Information Literacy) Prompt: You are considered for an on-site job interview and are required to discuss your senior project work. The panel is skeptical about your findings. Defend your work by writing a executive summary of your project. project that addresses the listed topics below in the following order: 1. Define the objective of the project by identifying the problem(s)/issue(s). 2. Student identifies and analyzes other perspectives (arguments) and presents his/her own perspective or position ( (i.e. literature review) 3. Student use(s) evidence and data to support their position(s) through discussion of their results. (This can include a figure/data plot or table that assists your ability to discuss your final results. Clearly label all figures/data plot or table with a number and descriptive title. Reference the Figure or Table number in the text above the figure or table. Figure numbers and titles go below the figure, table numbers and titles go above the table). 4. Student draws adequate conclusion(s) given their result(s) (This could include pros and cons of your final design, application of design and/or recommendations for future design. Which is supported by numerical values (i.e results) as evidence to support your conclusion.) 5. References (program specific referencing: IEEE, AICHE, AIAA, ASME, ASCE, IISE, SME, and ASEE) Instructions for the write-up ? Your write-up should be structured in a series of coherent paragraphs. You may or may not use section headers. If you would like to use section headings, please use appropriate terminology such as: Introduction (purpose, objective, and scope of the problem or issue identified), Literature Review (present your and other perspectives), Results and Discussion(provides data, analysis of data and discussion of results), and Conclusion. ? Your write-up should be approximately 2 to 3 page long with a page of graphics and a page for references. ? Your write-up should be single-spaced, Times New Roman, 12-point Font and formatted to 1-inch margins (use template provided)

Make a 2 page report for this Industrial ControlMake a 2 page report for this Industrial Control
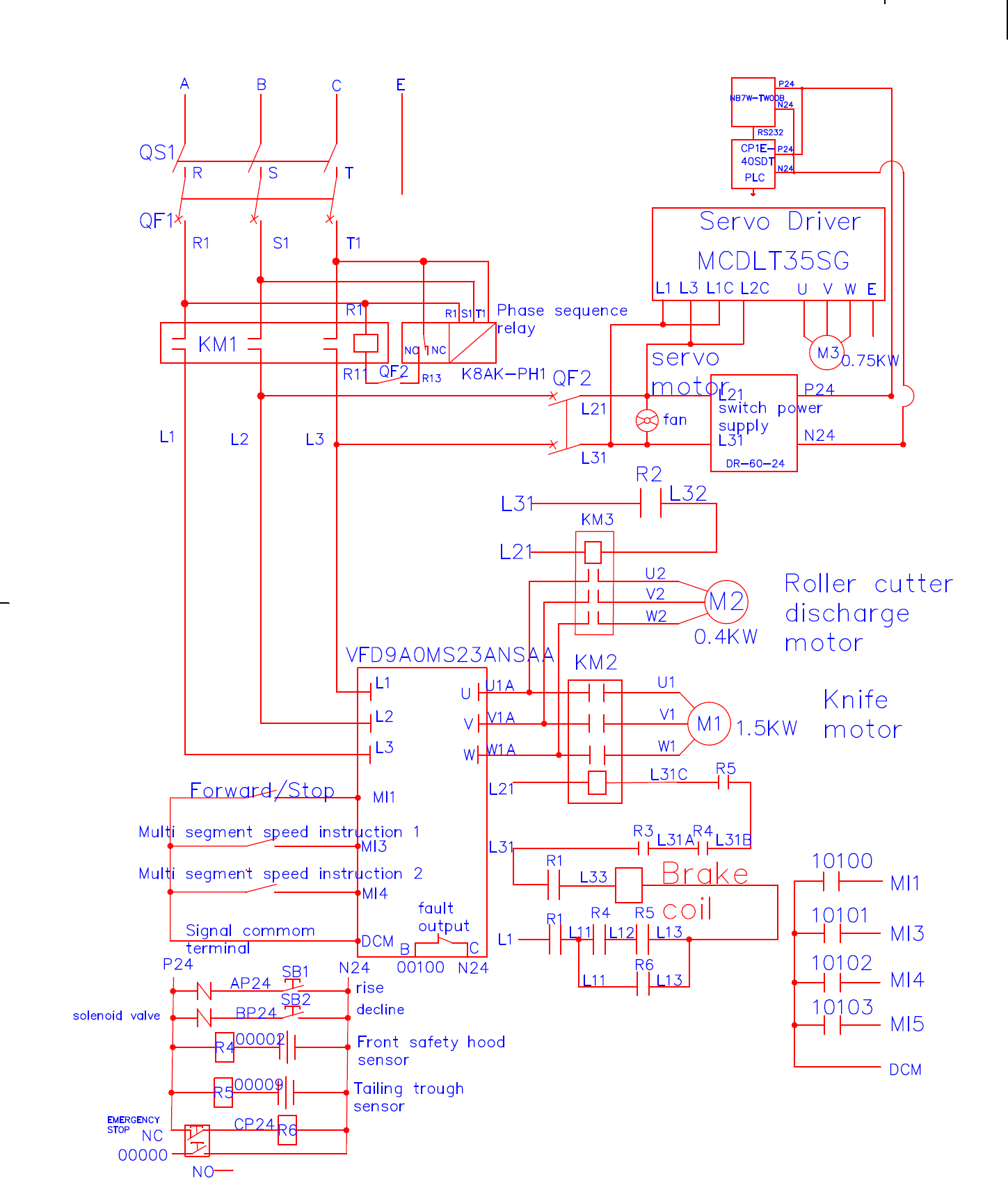
- D B - m P24 NB 7W - TWOPP 24 RS232 QS CP1E-P24 R S 40SD N24 PLC QF1* Servo Driver R1 S1 T1 MCDLT35SG L1 L3 L1C L2C UVWE RT R1 S1 71 Phase sequence Trelay = KM1 vq INC servo M36. 75KW R11 QF2 R13 K8AK-PH1 QF2 motor21 P24 L21 fan switch power L1 L2 L3 supply L31 N24 -31 DR -60-24 R2 L31 L32 KM3 L21 U2 V2 Roller cutter W2 12 discharge 0. 4KW VFD9AOMS23ANSAA motor KM 2 L1 U1 L2 Knife VINVIA V1 M1 1.5 KW motor L3 WIWIA W1 L31C R5 Forward /Stop MI1 L21 Multi segment speed instruction 1 MI3 L3 4 131A AL 316 Multi segment speed instruction 2 R1 Brake 10100 L33 .M14 MI1 fault R4 R5 Coil Signal commom output 10101 terminal DCM B L1 41 4121 | L13 MI3 P24 AP24 231 N24 00100 N24 10102 rise L 11 R6 L 13 M14 solenoid valve BP24 282 decline 10103 MI5 PAOOOOR Front safety hood sensor DCM 2500009 Tailing trough sensor EMERGENCY STOP NC CP24R T 00000 - NO-N24 41 COM- 36 ALLM- 37 ALM+ 29SRV 7COM+ 20P$2 10PC1 8NOT 9POT P24 3TA-CLR CP24 L31 MCDLT35SG L21 4/PUL$2 CCC U V WGND 6 / SIGN2 MIS U V W GND M14 10100 MI1 P24 V+ 00 01 02 03 04 06 00 01 03 04 06 PLCoutput V- COM (V- ) COM COM 05 07 COM 02 COM 05 07 N24 pilot lamp CP 2 DCM P24

Step by Step Solution

There are 3 Steps involved in it

1 Expert Approved Answer
Step: 1 Unlock blur-text-image
Question Has Been Solved by an Expert!

Get step-by-step solutions from verified subject matter experts

Step: 2 Unlock
Step: 3 Unlock

Students Have Also Explored These Related Law Questions!