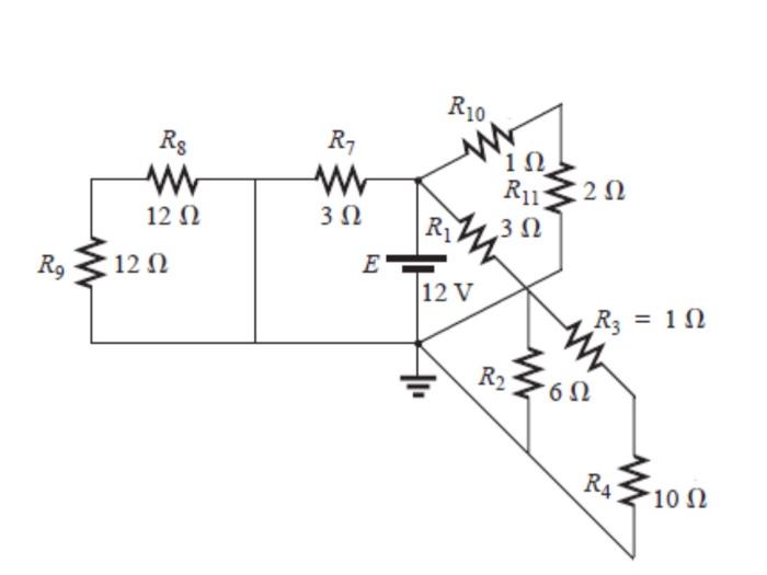
Question: Please compute (manually) currents through each branch and voltage drops across each resister. Make sure to label currents and voltages correctly R10, Rg R 1
Please compute (manually) currents through each branch and voltage drops across each resister.
Make sure to label currents and voltages correctly
R10, Rg R 1 RS2 12 3 R1 3 Rg 12 E 12V R = 1 + R2 6 R4 10
Step by Step Solution
There are 3 Steps involved in it
Get step-by-step solutions from verified subject matter experts
