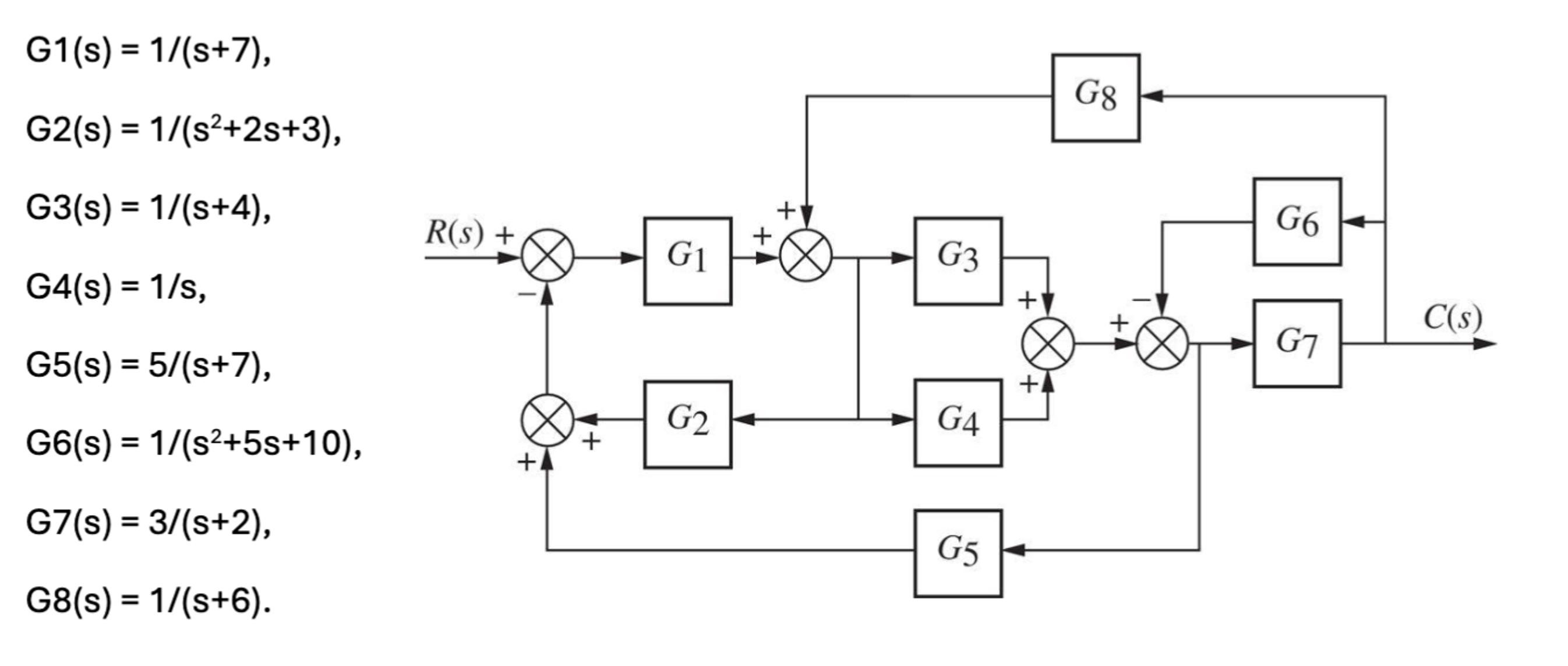
Question: Please solve the transfer function T ( s ) = C ( s ) / R ( s ) by hand, not using a computer
Please solve the transfer function TsCsRs by hand, not using a computer program.
Step by Step Solution
There are 3 Steps involved in it
1 Expert Approved Answer
Step: 1 Unlock
Question Has Been Solved by an Expert!
Get step-by-step solutions from verified subject matter experts
Step: 2 Unlock
Step: 3 Unlock
