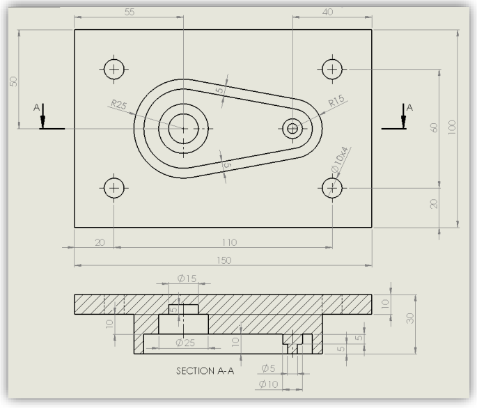
Question: Prepare Simens Sinutrain Shopmill program for the mold part shown in Figure. You should save your G - Code file in pdf and you should
Prepare Simens Sinutrain Shopmill program for the mold part shown in Figure. You should save your GCode file in pdf and you should show simulation progress in a word file.
Step by Step Solution
There are 3 Steps involved in it
1 Expert Approved Answer
Step: 1 Unlock
Question Has Been Solved by an Expert!
Get step-by-step solutions from verified subject matter experts
Step: 2 Unlock
Step: 3 Unlock
