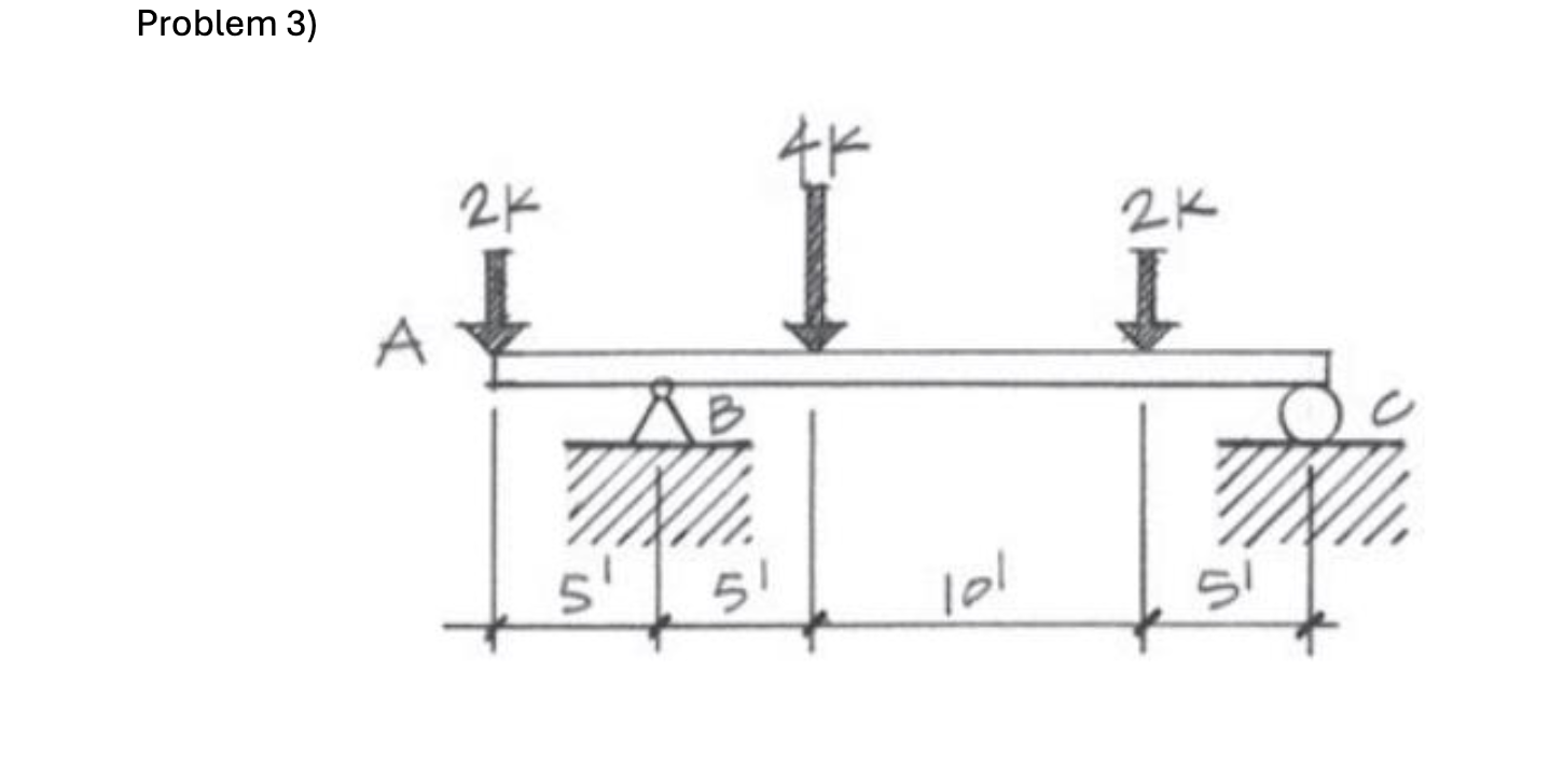
Question: Problem 3 ) construct Load, Shear and Moment diagrams for the beam shown. Indicate the magnitudes of Vmax and Mmax
Problem construct Load, Shear and Moment diagrams for the beam shown.
Indicate the magnitudes of Vmax and Mmax
Step by Step Solution
There are 3 Steps involved in it
1 Expert Approved Answer
Step: 1 Unlock
Question Has Been Solved by an Expert!
Get step-by-step solutions from verified subject matter experts
Step: 2 Unlock
Step: 3 Unlock
