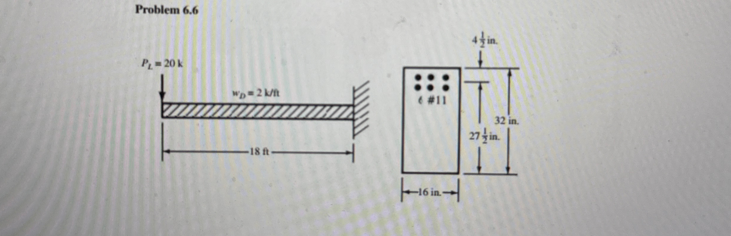
Question: Problem 6 . 6 Calculate the instantaneous deflections for the dead and live loads shown. Use Fy = 6 0 , 0 0 0 psi,
Problem
Calculate the instantaneous deflections for the dead and live loads shown. Use Fy psi, Fc psi and n Beam weights are included in the Wd values
Step by Step Solution
There are 3 Steps involved in it
1 Expert Approved Answer
Step: 1 Unlock
Question Has Been Solved by an Expert!
Get step-by-step solutions from verified subject matter experts
Step: 2 Unlock
Step: 3 Unlock
