Question: Q1. Arithmetic (a) Find the binary representation of 0.15625 x 2-126 according to IEEE 754 single precision floating point standard. [3 marks] SE2 significand =

![according to IEEE 754 single precision floating point standard. [3 marks] SE2](https://s3.amazonaws.com/si.experts.images/answers/2024/09/66e062182bd98_20766e06217be94b.jpg)

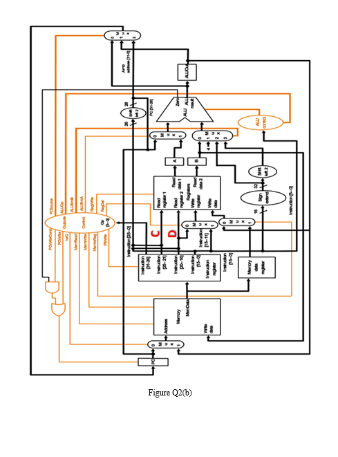
Q1. Arithmetic (a) Find the binary representation of 0.15625 x 2-126 according to IEEE 754 single precision floating point standard. [3 marks] SE2 significand = ? (6) Show the minimum changes to the diagram below to include the unsigned comparison, i.e. situ R, A, B # [R] = 1. if A
Step by Step Solution
There are 3 Steps involved in it
1 Expert Approved Answer
Step: 1 Unlock
Question Has Been Solved by an Expert!
Get step-by-step solutions from verified subject matter experts
Step: 2 Unlock
Step: 3 Unlock
