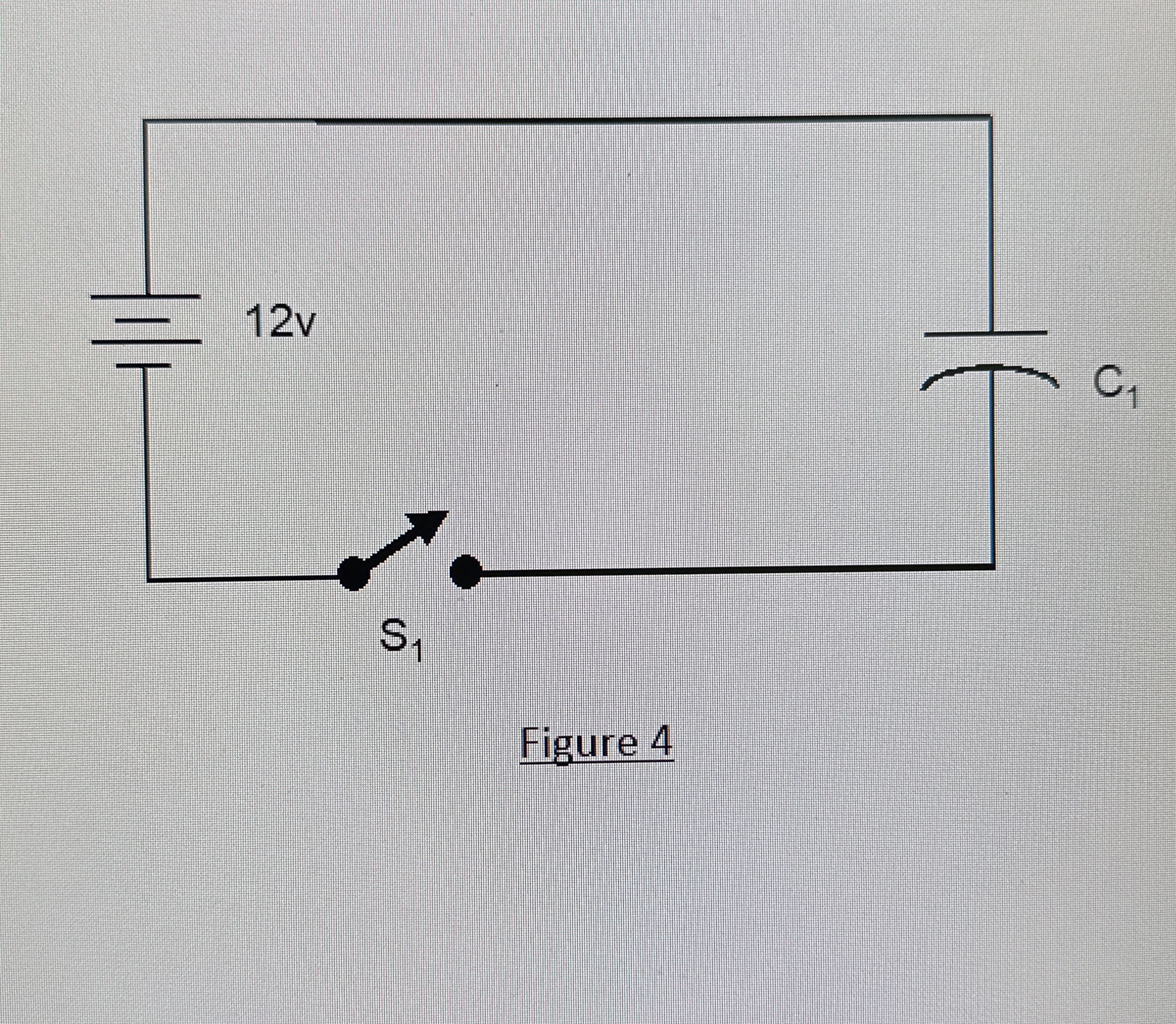
Question: QUESTION 3 5 In Figure 4 , what will happen as a result of closing switch S 1 ? Assume Capacitor C 1 has no
QUESTION
In Figure what will happen as a result of closing switch S Assume Capacitor C has no charge as shown.
Current will flow until capacitor C is charged to V
Nothing will happen because it is an open circuit.
Current flows normally as capacitor C continuously charges and discharges
A short circuit condition develops causing terminal voltage to drop to near zero.Figure
Step by Step Solution
There are 3 Steps involved in it
1 Expert Approved Answer
Step: 1 Unlock
Question Has Been Solved by an Expert!
Get step-by-step solutions from verified subject matter experts
Step: 2 Unlock
Step: 3 Unlock
