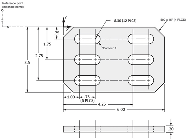
Question: Reference point 1(machine home) 6 6 9 Programmed path Path of the cutter center 6.00 (REF) 6.00 (REF) .40 5.00 DIA Reference point (machine

Reference point 1(machine home) 6 6 9 Programmed path Path of the cutter center 6.00 (REF) 6.00 (REF) .40 5.00 DIA Reference point (machine home) 2.75 3.5 1.75 .75 +1.00.75 (6 PLCS) R.30 (12 PLCS) Contour A 00 4.25 6.00 .500 x 45 (4 PLCS) .20
Step by Step Solution
There are 3 Steps involved in it
Get step-by-step solutions from verified subject matter experts
