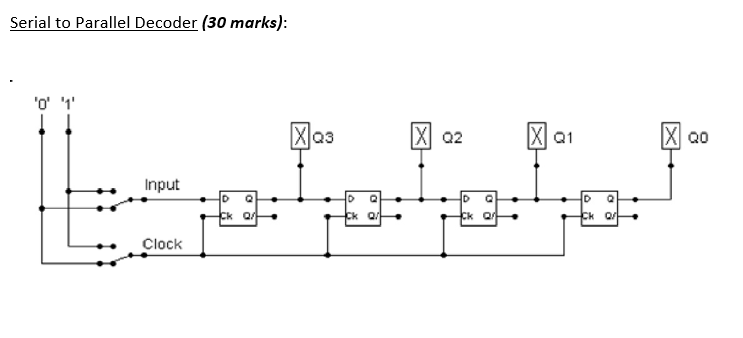
Question: Serial to Parallel Decoder (30 marks): Build the circuit above and complete the following timing diagram by filling in the table spaces with ' 1


Serial to Parallel Decoder (30 marks): Build the circuit above and complete the following timing diagram by filling in the table spaces with ' 1 ' or ' 0 '. Also describe what the circuit does (15 marks)
Step by Step Solution
There are 3 Steps involved in it
Get step-by-step solutions from verified subject matter experts
