Question: Show me the steps to solve C u 3 : M t m y ph t si u cao t n ( Vs , Rs
Show me the steps to solve Cu :
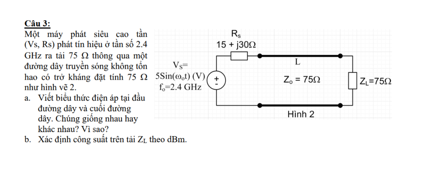
Mt my pht siu cao tn Vs Rs pht tn hiu tn s GHz ra ti Omega thng qua mt ng dy truyn sng khng tn hao c tr khng t tnh Omega nh hnh v
a Vit biu thc in p ti u ng dy v cui ng dy Chng ging nhau hay khc nhau? V sao?
b Xc nh cng sut trn ti mathrmZmathrmL theo dBm
Step by Step Solution
There are 3 Steps involved in it
1 Expert Approved Answer
Step: 1 Unlock
Question Has Been Solved by an Expert!
Get step-by-step solutions from verified subject matter experts
Step: 2 Unlock
Step: 3 Unlock
