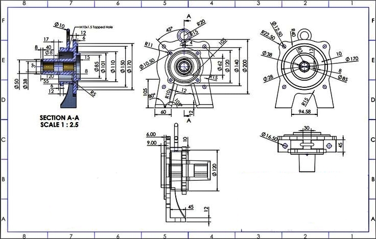
Question: SOLID EDGE QUESTION: Question 1 : Design the given in Solid Edge. 1 . Design each part separately and upload the isometric 3 D image
SOLID EDGE QUESTION:
Question : Design the given in Solid Edge.
Design each part separately and upload the isometric D image of each part.
Assemble the parts and upload the D isometric view of the assembly.
Please do not provide theoretical answers. Incorrect solutions will be downvoted.
Step by Step Solution
There are 3 Steps involved in it
1 Expert Approved Answer
Step: 1 Unlock
Question Has Been Solved by an Expert!
Get step-by-step solutions from verified subject matter experts
Step: 2 Unlock
Step: 3 Unlock
