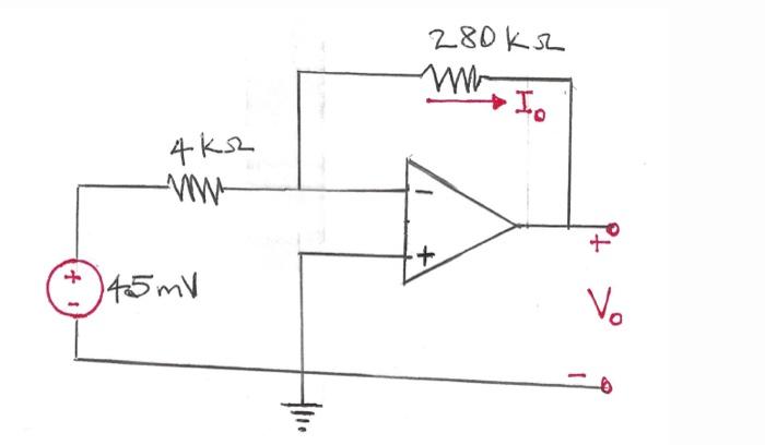
Question: solve Problem 7 Given Figure 1, the output voltage V, is: (a) -6.15 V (b) 6.15 V (C) -3.15 V (d) 3.15 V Professional Publications,

Problem 7 Given Figure 1, the output voltage V, is: (a) -6.15 V (b) 6.15 V (C) -3.15 V (d) 3.15 V Professional Publications, Inc. FERC The current I, in Figure 1 is: (a) 10.25 A (b) 11.25 UA (C) 12.25 A (d) 13.25 A TOK Open Office 6 W- 280KR m I TO 4K2 non to 45 mv Vo
Step by Step Solution
There are 3 Steps involved in it
Get step-by-step solutions from verified subject matter experts
