Question: STRUCTURAL ANALYSIS IV . ASSIGNMENT 1 . DUE DATE: 3 0 / 0 4 / 2 0 2 4 NB: WRITE NEATLY AND UNDERLINE ALL
STRUCTURAL ANALYSIS IV ASSIGNMENT DUE DATE:
NB: WRITE NEATLY AND UNDERLINE ALL YOUR ANSWERS.
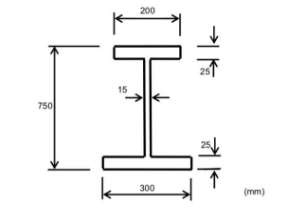
A steel beam of an unequal flanges cross section is resting on an elastic
foundation whose modulus of foundation KS is Nmm The beam is m
long, and it is subjected to a concentrated load of kN and anticlockwise
moment of MNm at the centre. Neglecting the selfweight and assuming
freely supported ends, Determine the following:
a The maximum deflections
b Slope
c Shear force.
d Maximum Bending stress
Assume Youngs modulus, E GPa and the Poissons ratio,
u
Repeat problem for the case in which the beam is subjected to a uniformly
distributed load of intensity Nmm over a length mm ab mm
about the centre, instead of a concentrated moment.
Step by Step Solution
There are 3 Steps involved in it
1 Expert Approved Answer
Step: 1 Unlock
Question Has Been Solved by an Expert!
Get step-by-step solutions from verified subject matter experts
Step: 2 Unlock
Step: 3 Unlock
