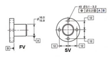
Question: The figure shown below is a front and side view drawing of a mechanical product, which is manufactured by workshop machining: (dimensions are in mm)
The figure shown below is a front and side view drawing of a mechanical product, which is manufactured by workshop machining: (dimensions are in mm) 1. Draw a sketch (free-hand drawing) of 3-D isometric of this product? 2. Suggest a suitable design software program for this product, and justify your selection? (explain why you select it based on other alternatives) 3. Can you suggest what is the name of this product and where it can be used? Select a suitable material for this product and why? 4. Develop a suitable GT code based on Opitz code and explain it? 5. Read the tolerance on the figure? And explain what is 3-2-1 datum system based on the figure below? 6. Explain in details the required process planning for machining this product 7. What engineering analysis is required for this product? Explain in details? 8. write a CNC program for machining this product?

9. Select with details- the suitable inspection program for testing the geometry of this product?
Step by Step Solution
There are 3 Steps involved in it
Get step-by-step solutions from verified subject matter experts
